-
Hydraulic Valves For Mobile Applications
Electro-Proportional direct-drive multiple valves SPHF15 Balance valves Electro-Proportional control multiple valves SPHB350 Balance Valves Pre-Pressure compensation multiple valves ZCRV pilot handle SPHB/SPHG One-way balance valves Post-Pressure compensation multiple valves XDJY pilot handle SSPHB/SSPHG Two-way balance valves Conventional multiple valves JTF foot-operated brake valve Hydraulic locks Integrated units
- Hydraulic Pumps
-
Hydraulic Motors
-
Hydraulic Valves For Industrial Industries
-
Electronics and Control Systems
-
Reducers
-
Hydraulic System
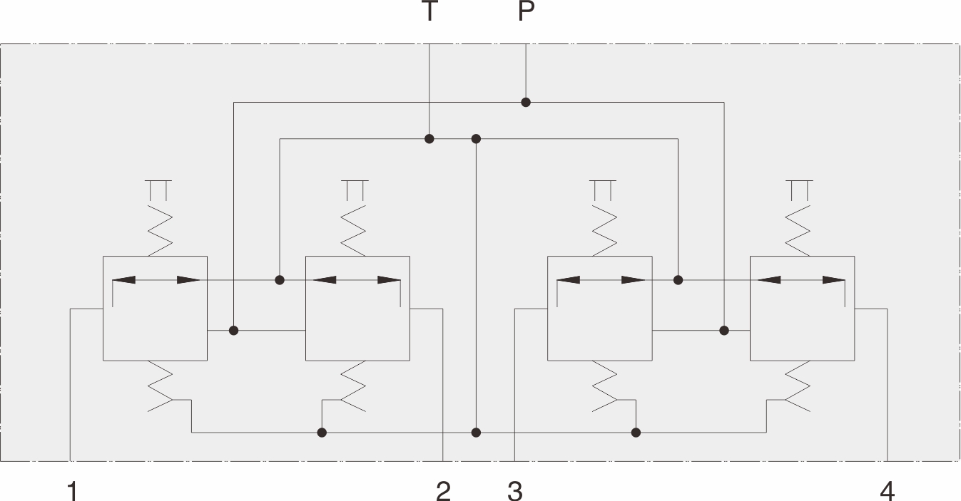
XDJY pilot handle
▶ At the neutral position, the control handle is held in place by four return springs. Oil ports (1, 2, 3, 4) are connected to the return port. When the control handle is actuated, the plunger is depressed against the return springs and the control spring. The control spring starts to push down the control spool, closing the connection between the respective oil ports and return port T. At the same time, the respective oil ports are connected to port P through a passage.











