-
Hydraulic Valves For Mobile Applications
Electro-Proportional direct-drive multiple valves SPHF15 Balance valves Electro-Proportional control multiple valves SPHB350 Balance Valves Pre-Pressure compensation multiple valves ZCRV pilot handle SPHB/SPHG One-way balance valves Post-Pressure compensation multiple valves XDJY pilot handle SSPHB/SSPHG Two-way balance valves Conventional multiple valves JTF foot-operated brake valve Hydraulic locks Integrated units
- Hydraulic Pumps
-
Hydraulic Motors
-
Hydraulic Valves For Industrial Industries
-
Electronics and Control Systems
-
Reducers
-
Hydraulic System
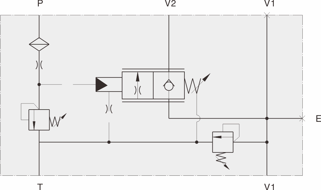
SPHF15 Balance valves
▶ Processed oil passages.
▶ Plate connection, can be directly connected to the oil ports of actuating components.
▶ Exhibits excellent motion stability and good locking capability.
▶ Applied in various engineering machinery, mobile cranes, truck-mounted cranes, large or telescopic forklifts, drilling rigs, municipal machinery, forestry machinery, fixed equipment, and other systems that require good locking capability and smooth lowering of heavy loads.











