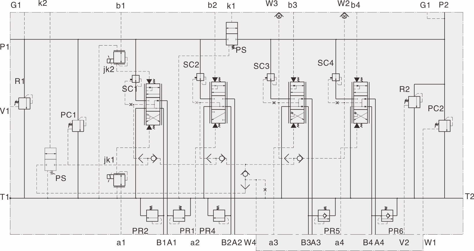
阀前压力补偿多路阀
▶ 第一联为电液比例控制
▶ 整体结构,铸造油道
▶ 两路并联油道
▶ 可根据需要实现双泵供油的分合流功能
▶ 主溢流阀为插装式连接
▶ 换向阀是按照负载传感的原理进行比例控制的,具有优良的调速性能
▶ 系统设置有压力补偿器,流向执行元件的流量只受换向阀开口量控制,不受负载压力变化影响
▶ 系统多个中小负荷的执行机构同时工作而互不影响
▶ 主溢流阀带远程控制口,工作油口带二次溢流阀,泵2所供两联阀油口二次溢流阀具有防气蚀的低压补油功能
▶ 各工程种机械、汽车起重机、 汽车随车吊、大型或伸缩式叉车、钻机、市政机械、林业机械、固定设备











